Non-rotary
Công ty TNHH IE ENGINEERING chuyên cung cấp các sản phẩm SETech chính hãng tại Việt Nam.
| TYPE | CAPACITY | |
|---|---|---|
| YDN-2KC | 2Kgf-㎝ | 0.196Nm |
| YDN-5KC | 5Kgf-㎝ | 0.490Nm |
| YDN-10KC | 10Kgf-㎝ | 0.981Nm |
| YDN-20KC | 20Kgf-㎝ | 1.961Nm |
| YDN-50KC | 50Kgf-㎝ | 4.904Nm |
| YDN-1KM | 1Kgf-m | 9.807Nm |
| YDN-2KM | 2Kgf-m | 19.61Nm |
| YDN-3KM | 3Kgf-m | 29.42Nm |
| YDN-5KM | 5Kgf-m | 49.04Nm |
| YDN-10KM | 10Kgf-m | 98.07Nm |
| YDN-20KM | 20Kgf-m | 196.1Nm |
| YDN-30KM | 30Kgf-m | 294.2Nm |
| YDN-50KM | 50Kgf-m | 490.4Nm |
| YDN-100KM | 100Kgf-m | 980.7Nm |
| YDN-200KM | 200Kgf-m | 1.961KNm |
| YDN-300KM | 300Kgf-m | 2.942KNm |
| YDN-500KM | 500Kgf-m | 4.904KNm |
| Customer specific capacity range avaliable. | ||
Features are low price and relatively high accuracy.
These models have various operating ranges to meet customers specific requirement.
Applications include the performance test of a electric driver, the torque test of a automotive component and industrial robot.
| SPECIFICATIONS | |||
|---|---|---|---|
| Rated capacity | 2kgf-㎝~500Kgf-m | Temperature range compensated | -10℃ ~ 60℃ |
| Rated output | 1.5㎷/V±1% | Temperature range safe | -20℃ ~ 70℃ |
| Nonlinearity | 0.3% R.O | Temperature effect, on zero balance | 0.05% R.O/10℃ |
| Hysteresis | 0.2% R.O | Temperature effect, on rated output | 0.08% Load/10℃ |
| Repeatability | 0.2% R.O | Excitation recommended | 10V DC |
| Temminal resistance input | 350±3.5Ω | Safe overload | 150% R.C |
| Temminal resistance output | 350±3.5Ω | Cable | Φ3, Φ5, Shield 5m |
| Insulation resistance | 200㏁ | ||
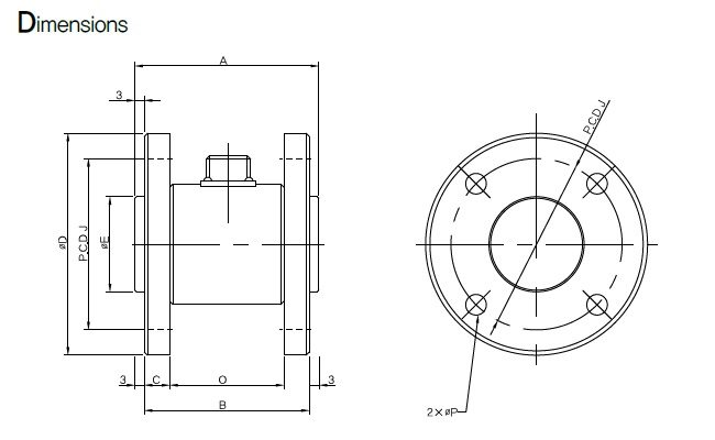
| DIMENSIONS | ||||||||||
|---|---|---|---|---|---|---|---|---|---|---|
| CAPACITY | A | B | C | ØD | ØE | ØJ | O | ØP | ||
| 2,5kgf-㎝ | 61 | 55 | 5 | 58 | 20 | 46 | 45 | 4-Ø4.5 | ||
| 10,20,50kgf-㎝ | 61 | 55 | 10 | 80 | 40 | 66 | 35 | 4-Ø6.5 | ||
| 1,2,3,5,10kgf-m | 61 | 55 | 10 | 80 | 40 | 66 | 35 | 4-Ø6.5 | ||
| 20,30,kgf-m | 86 | 80 | 15 | 98 | 40 | 78 | 50 | 6-Ø10.5 | ||
| 50,100kgf-m | 126 | 120 | 20 | 118 | 60 | 95 | 80 | 6-Ø10.5 | ||
| 200,300kgf-m | 126 | 120 | 20 | 164 | 68 | 132 | 80 | 6-Ø14.5 | ||
| 500kgf-m | 142 | 134 | 20 | 184 | 107 | 158 | 94 | 2×7-Ø11DR.THRU | ||

Thông tin liên hệ:
CÔNG TY TNHH IE ENGINEERING
Địa chỉ đăng kí: Quyết Tiến 2, xã An Lão, TP. Hải Phòng
Địa chỉ giao dịch 1: 931C, đường Bạch Đằng, P. Bạch Đằng, Q. Hai Bà Trưng, TP. Hà Nội
Địa chỉ giao dịch 2: Đường Trần Tất Văn, xã An Lão, Hải Phòng
Điện thoại: (sale) +84-978-778-280 / (Tech Support) +84-913-183-822
Số ĐKKD/ MST: 0201751253 – Số TK: 0031000271100, tại ngân hàng Vietcombank Hải Phòng

