Rotary / Brush type
Công ty TNHH IE ENGINEERING chuyên cung cấp các sản phẩm SETech tại chính hãng Việt Nam.
| TYPE | CAPACITY | |
|---|---|---|
| YDSS-2KC | 2Kgf-㎝ | 0.196Nm |
| YDSS-5KC | 5Kgf-㎝ | 0.490Nm |
| YDSS-10KC | 10Kgf-㎝ | 0.981Nm |
| YDSS-20KC | 20Kgf-㎝ | 1.961Nm |
| YDSS-50KC | 50Kgf-㎝ | 4.904Nm |
| YDSS-100KC | 100Kgf-㎝ | 9.807Nm |
| YDSS-300KC | 300Kgf-㎝ | 29.42Nm |
| YDSS-500KC | 500Kgf-㎝ | 49.04Nm |
| YDSS-1000KC | 1000Kgf-㎝ | 98.07Nm |
| YDSS-2000KC | 2000Kgf-㎝ | 196.1Nm |
| YDSS-3000KC | 3000Kgf-㎝ | 294.2Nm |
| Customer specific capacity range avaliable. | ||
This model operates in both directions so tightening and break-away torques can be measured.
It can also be used to check the calibration of mechanical torque wrenches.
| SPECIFICATIONS | |||
|---|---|---|---|
| Rated capacity | 2kgf-㎝~3000Kgf-㎝ | Temperature range compensated | -10℃ ~ 60℃ |
| Rated output | 1.3㎷/V | Temperature range safe | -20℃ ~ 70℃ |
| Nonlinearity | 0.3% R.O | Temperature effect, on zero balance | 0.05% R.O/10℃ |
| Hysteresis | 0.3% R.O | Temperature effect, on rated output | 0.1% Load/10℃ |
| Repeatability | 0.3% R.O | Excitation recommended | 10V DC |
| Temminal resistance input | 350±5Ω | Safe overload | 150% R.C |
| Temminal resistance output | 350±5Ω | Cable | Φ3, Φ5 Shield 5m |
| Insulation resistance | 300㏁ | Maximum R.P.M | 5,000 R.P.M |
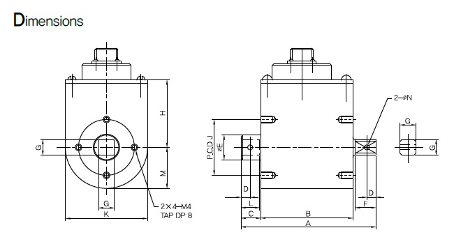
| DIMENSIONS | ||||||||||||||
|---|---|---|---|---|---|---|---|---|---|---|---|---|---|---|
| CAPACITY | Socket SIZE | A | B | C | D | ØE | F | G | M | K | L | J | H | ØN |
| 2,5,10kgf-㎝ | 1/4″ | 76 | 52 | 12 | 4 | 15 | 10 | 6.35 | 25 | 50 | 11 | 34 | 41 | 3 |
| 20,50kgf-㎝ | 3/8″ | 82 | 56 | 12 | 5.5 | 15 | 12.5 | 9.53 | 25 | 50 | 13 | 34 | 41 | 3 |
| 100,300kgf-㎝ | 1/2″ | 96 | 58.5 | 19.5 | 7 | 20 | 16 | 12.7 | 31 | 62 | 17 | 44 | 42 | 3.5 |
| 500,1000kgf-㎝ | 3/4″ | 106 | 57.8 | 24 | 10 | 30 | 22 | 19.1 | 34 | 68 | 22 | 52 | 53 | 4.5 |
| 2000,3000kgf-㎝ | 1″ | 123 | 57.8 | 33 | 14 | 40 | 29.2 | 25.4 | 39 | 78 | 28 | 62 | 54 | 5.5 |

Thông tin liên hệ:
CÔNG TY TNHH IE ENGINEERING
Địa chỉ đăng kí: Quyết Tiến 2, xã An Lão, TP. Hải Phòng
Địa chỉ giao dịch 1: 931C, đường Bạch Đằng, P. Bạch Đằng, Q. Hai Bà Trưng, TP. Hà Nội
Địa chỉ giao dịch 2: Đường Trần Tất Văn, xã An Lão, Hải Phòng
Điện thoại: (sale) +84-978-778-280 / (Tech Support) +84-913-183-822
Số ĐKKD/ MST: 0201751253 – Số TK: 0031000271100, tại ngân hàng Vietcombank Hải Phòng

